返回 产品中心
VRM2交叉滚子导轨
►使用寿命长、高刚性
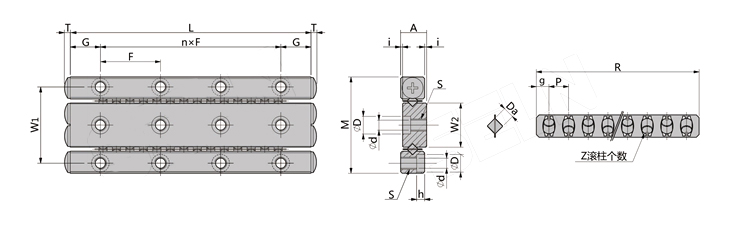
利用独特的滚柱保持方法,使滚柱的有效接触长度与以前的产品相比增加了 1.7 倍,并且滚柱的节距间隔变短、滚柱数量多、刚性增加 2 倍,能获得 6 倍的寿命。因此,对于直线运动部分容易产生的振动、冲击问题,能充分进行考虑安全的设计。
►平滑的运动
在VR型中,各滚柱保持架分开,由于保持架中的滚柱袋与滚柱面接触,有良好的润滑油保持性,所以无磨损,摩擦小,从而能获得平滑的滚动运动。





| ►交叉滚子导轨介绍 | |
| ►交叉滚子导轨型号说明 | |
| ►交叉滚子导轨的使用注意事项 | |
| ►交叉滚子导轨的安装方法 |