返回 产品中心
VRU3交叉导轨工作台
►安装简单
因在被高精度加工了的工作台和基座之间,装上了交叉滚子导轨,滑座机构只需在必要的地方用螺栓安装,就可获得高精度的直线导向机构。
►平滑的运动
因大额定负荷的滚子按很短的节距被装在一起,构成了能承受重负荷且高。






►平滑的运动
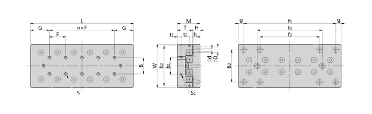
由于滚子被互相垂直地排列,所以能承受作用在工作台上的所有方向的负荷,参考下图:








| ►交叉导轨工作台介绍 | |
| ►交叉导轨工作台型号说明 | |
| ►交叉导轨工作台材料与表面处理 |