首 页
关于捷伦
产品中心
车间展示
资质证书
非标自动化案例
新闻资讯
联系我们
返回
产品中心
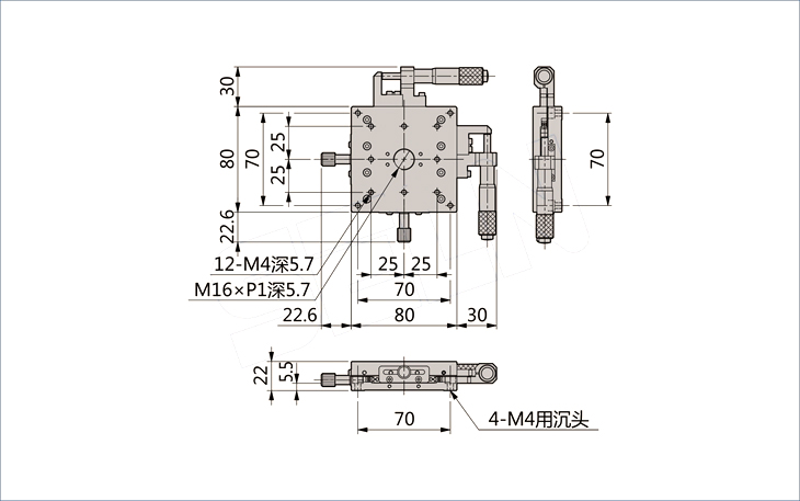
LY80-RB交叉导轨
►
手动位移平台导轨种类
►
手动位移平台型号说明
►
手动位移平台使用注意事项
►
手动位移平台安装方法
上一页
LY80-LB交叉导轨
下一页
LX90-C交叉导轨
电话
邮件
地图
分享
留言
信息搜索
搜索