返回 产品中心
LX40-R 40*40 X轴LX40-R 微调架LX40-R 手动可调平台LX40-R 手动位移平台 LX40-R精密可调手动位移平台
供应 40*40 X轴LX40-R 微调架LX40-R 手动可调平台LX40-R 手动位移平台 LX40-R精密可调手动位移平台 LX40-R微调架LX40-R 手动可调平台 LX40-R手动位移平台 LX40-R精密平台LX40-R 手动平台LX40-R 微型平台LX40-R 位移平台LX40-R 可调平台 LX40-R手动微调平台LX40-R精密可调手动位移平台 微调架 手动可调平台 手动位移平台 精密平台 手动平台 微型平台 位移平台 可调平台 手动微调平台
| 光学仪器装置、测定器、检查装置、半导体制造装置、试验机、显微镜、搬运机、加工机、医疗机器、印刷机及其它 |
供应 40*40 X轴 微调架 手动可调平台 手动位移平台 LX40-R
- 规格说明
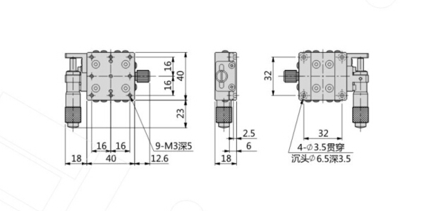
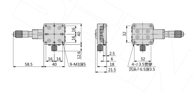
- 移动方向:X轴一个自由度
- 材 料:铝合金
- 台面大小:40mm×40mm
- 行 程:±5mm
- 负 载:29.4N(3kgf)
- 导轨类型:V型导轨
- 最小刻度:0.01mm
- 精 度:0.01mm
- 平 行 度:0.02mm
- 重 量:0.14KG
产品尺寸图:




http://item.taobao.com/item.htm?spm=a230r.1.14.149.tffZd0&id=40335670452&ns=1&abbucket=13&_u=l21kj0f4d642#detail
http://detail.1688.com/offer/921193647.html
主营工控配件 精密手动可调位移平台 交叉滚子导轨道 交叉导轨工作台 电子尺 缓冲器 plc 人机界面 伺服马达 驱动器 步进马达 近接开关 光电传感器 三菱 安川 富士 松下 基恩士 台达 东方 三洋 小金井 SMC 承接工控自动化工程 等
东莞捷伦工控设备有限公司
方先生 18928204852
温小姐 13829245213 13649898481
傅先生 13925860165 13712062293
电话 0769-85306285
81888485
传真 0769-85428961
QQ 1017151537
阿里 DGJIELUN 进口气动液压电器
HTTP://www.jeln.cn HTTP://www.dgjeln.cn
E-mail: lhnini@126.com E-mail: changanjielun@163.com
地址 东莞长安时富五金广场D120