返回 产品中心
50*50 XY轴 LY50-LM 微调架 LY50-LM 手动可调平台 LY50-LM手动位移平台 LY50-LM 精密可调手动位移平台
供应 50*50 XY轴 LY50-LM 微调架 LY50-LM 手动可调平台 LY50-LM手动位移平台 LY50-LM 精密可调手动位移平台 LY50-LM 微调架 LY50-LM手动可调平台 LY50-LM 手动位移平台 LY50-LM精密平台 LY50-LM 手动平台 LY50-LM 微型平台 LY50-LM 位移平台 LY50-LM可调平台 LY50-LM手动微调平台 LY50-LM 精密可调手动位移平台 微调架 手动可调平台 手动位移平台 精密平台 手动平台 微型平台 位移平台 可调平台 手动微调平台
供应 50*50 XY轴 微调架 手动可调平台 手动位移平台 LY50-LM
| 光学仪器装置、测定器、检查装置、半导体制造装置、试验机、显微镜、搬运机、加工机、医疗机器、印刷机及其它 |
供应 50*50 XY轴 微调架 手动可调平台 手动位移平台 LY50-LM
- 规格说明
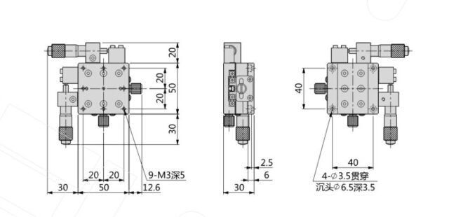
- 移动方向:XY轴两个自由度
- 材 料:铝合金
- 台面大小:50mm×50mm
- 行 程:±6.5mm
- 负 载:44N(4.5kgf)
- 导轨类型:V型导轨
- 最小刻度:0.01mm
- 精 度:0.01mm
- 平 行 度:0.02mm
- 重 量:0.35KG
产品尺寸图:





主营工控配件 精密手动可调位移平台 交叉滚子导轨 交叉导轨工作台 电子尺 缓冲器 plc 人机界面 伺服马达 驱动器 步进马达 近接开关 光电传感器 三菱 安川 富士 松下 基恩士 台达 东方 三洋 小金井 SMC 承接工控自动化工程 等
东莞捷伦工控设备有限公司
方先生 18928204852
温小姐 13829245213 13649898481
傅先生 13925860165 13712062293
电话 0769-85306285
传真 0769-85428961
QQ 1017151537
阿里 dgjielun 进口气动液压电器
HTTP://www.jeln.cn HTTP://www.dgjeln.cn
E-mail: lhnini@126.com
E-mail: changanjielun@163.com
地址 东莞长安时富五金广场A212 A213
上一页
50*50 XY轴 LY50-L 微调架 LY50-L 手动可调平台 LY50-L手动位移平台 LY50-L精密可调手动位移平台
下一页
LY50-R精密可调手动位移平台LY50-R 微调架LY50-R 手动可调平台LY50-R 手动位移平台LY50-R 精密平台LY50-R